
Gecko S Class Series Spa Controller (P/N: 0202-205163) OUT OF STOCK

Item qualifies for Free Shipping!
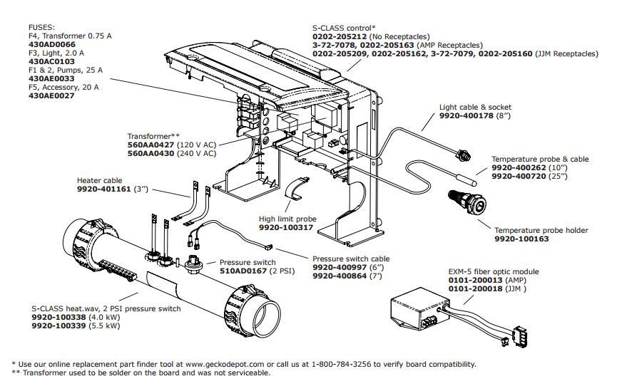
Compatibility
S-Class is an entry level pak for 120/240V applications that will support up to 2 pumps, 1 blower, a heater, a light, ozonator and a circulation pump.
Comes with AMP style receptacles
Features
Gecko's S-Class Pak has many configuration options.
The heater output is 4kw at 230 volts.
The pumps, ozone and blower electrical output can be individually configured to 120 volts or 230 volts making it a very flexible option to replace an old Gecko spa pak or other manufacturer pak.
Automatic time-out on all outputs
Sensor failure detection
Ozone management
Programmable filter cycles
High-limit protection
Pressure switch failure detection
Current limiting option
Smart Winter Mode
Filter cycle overtemp protection